販売可
販売可
ダイヘン
溶接
AX-MV6
詳細情報
年式
2008
取引形態
委託販売
オプション
お問い合わせ番号
P008940
程度
☆☆良い
稼働時間
可搬重量
このロボット・機械のご購入・ご相談
・メールアドレスは正しくご入力下さい。(弊社より返信メールが届きません。)
・必須は必ず入力してください。
・お客様にご記入いただきました個人情報は厳重に管理致します。
・内容を確認し次第、担当者よりご連絡させていただきます。



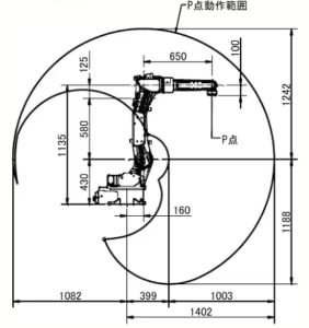
動作範囲
仕入れ先情報を掲載しております。
※販売時期により、価格が変動する可能性がございます。
ダイヘン AX-MV6(TIG溶接仕様)
仕様:TIG溶接ロボット
付属装置:φ500ロータリーテーブル(AX-2PF300、最大荷重270kg)
ロータリーテーブルがセットになっており、
円周溶接や複雑な角度からの溶接作業を効率的に行うことができます。