販売可
販売可
ファナック
ハンドリング
M-1iA/0.5AL
詳細情報
年式
2013
取引形態
委託販売
オプション
お問い合わせ番号
P008684
程度
☆☆良い
稼働時間
可搬重量
このロボット・機械のご購入・ご相談
・メールアドレスは正しくご入力下さい。(弊社より返信メールが届きません。)
・必須は必ず入力してください。
・お客様にご記入いただきました個人情報は厳重に管理致します。
・内容を確認し次第、担当者よりご連絡させていただきます。



仕入れ先情報を掲載しております。
販売価格:145万円
※販売時期により、価格が変動する可能性がございます。
可搬重量:0.5kg
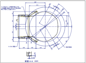
動作範囲: 直径280mm、高さ100mmの円柱空間
用途:電子部品や精密機械部品の超高速ピック&プレース、
仕分け、組み立てなど。
3軸のパラレルリンクと手首に3軸の回転機構を備えた多機能モデルです。
ロングアーム仕様(Lタイプ)のため、
標準モデルよりも動作範囲が広く確保されています。
特に小型部品の高速搬送や、カメラ(iRVision)を
組み合わせた高度な整列作業などで非常に高く評価されている機種です。