販売可
販売可
川崎重工業
ハンドリング
BX165L B/E12G-A001
詳細情報
年式
2015
取引形態
当社在庫
オプション
お問い合わせ番号
25423
程度
☆普通
稼働時間
可搬重量
165㎏
このロボット・機械のご購入・ご相談
・メールアドレスは正しくご入力下さい。(弊社より返信メールが届きません。)
・必須は必ず入力してください。
・お客様にご記入いただきました個人情報は厳重に管理致します。
・内容を確認し次第、担当者よりご連絡させていただきます。



動作範囲
※販売時期により、価格が変動する可能性がございます。
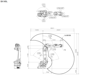
川崎重工業 BX165L B / E12G-A001
可搬質量:165 kg
最大リーチ:2,597mm
反復位置決め精度:±0.06 mm
ご興味がある方は、まずは一度お問い合わせください。